海湾两区型气体灭火控制器GST-QKP04/2接线与应用示
文章来源:www.gsthwxf.com作者:海湾消防公司人气:1545日期:2019-05-03 08:38:18
海湾气体灭火控制器外接端子如图5- 9所示
其中:
L、G、N:交流220V接线端子。
A1、B1/A2、B2:连接火灾报警控制器(联动型)的通讯总线端子。
Z1、Z2:各区的总线输出端子,连接紧急启/停按钮、声光警报器、气体喷洒指示灯、输出模块、手自动转换开关等总线设备。
+24V、GND:各区的辅助电源输出端子,为现场的系统设备如声光警报器、气体喷洒指示灯和输出模块供电。
DC+、DC-:各区灭火气体启动电磁阀的驱动信号输出端子,平时该端子间输出电压小于DC0.7V,启动时输出DC24V电压且最大2A的信号。终端匹配电阻为4.7kΩ/0.25W。
YK1、YK2:各区气体释放反馈信号输入端,应输入动合型干触点信号。其终端匹配电阻为4.7kΩ/0.25W。
海湾GST-QKP04/2气体灭火控制器应用方法
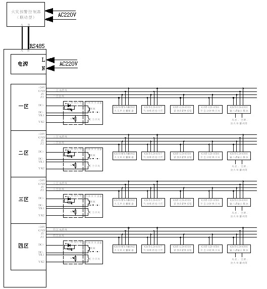
气体灭火控制器可通过本地网卡与火灾报警控制器(联动型)联网,接线示意图如图5-10所示。
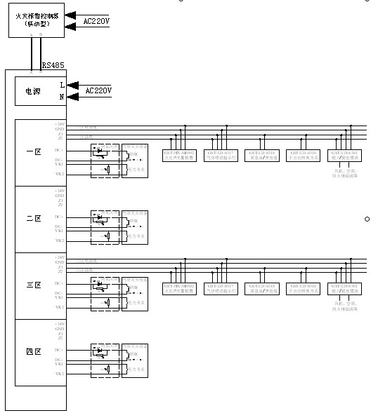
各区驱动钢瓶电磁阀有源输出的布线方式如图5-11所示。附加元件应置于线路的末端、接近于钢瓶电磁阀处。
气体灭火控制器典型接线图如图5-12所示。
具有主备两个钢瓶组切换使用的气体灭火控制器系统接线图如图5-13所示。通过设置1区和2区关联、3区和4区关联可以实现两钢瓶组的关联使用――当启动主钢瓶组后没有检测到压力开关的回答信号时气体灭火控制器会自动启动备用钢瓶组。
以上内容是智淼君安(江苏)消防工程技术有限公司所创,剽窃一律删除。http://www.gsthwxf.com/
海湾安全技术有限公司主营:海湾消防报警系统销售报价,消防工程改造,气体灭火、电气火灾安装,售后安装维修,检测,调试,海湾消防网址:http://www.gsthwxf.com/;海湾服务热线:18910580194
上一篇:海湾手动报警按钮9121 | 下一篇:海湾GST-LD-8317气体喷洒指示灯结构特征、安装与布
此文关键字:
海湾两区型气体灭火控制器GST-QKP04/2接线与应用示
推荐文章
- 海湾消防设备短路或接地故障导致控制器损坏之分析与防范
- 海湾消防通讯总线故障怎么解决
- 防火卷帘两侧的专用感温火灾探测器,跨越防火分区是否需设短路隔离器?
- 新规发布:学生宿舍必须安装火灾自动报警系统或具有联网功能的独立式火灾探测器!
- 气体探测器如何与防爆风机联动?
- 关于“海湾消防放气勿入指示灯故障,不能联动闪亮”问题的分析与改进建议
- 室内消火栓动压不达标该咋办?
- 【图解】海湾主机故障现象集合及维修处理经验分享
- 海湾吸气式感烟探测器使用场景
- 自动滴水阀漏水处理方法|预作用报警阀自动滴水阀故障










苏公网安备32058102002150号